諸城市騰翔環保機械有限公司
聯系人:劉經理
手機:1390 6363 487
手機:1855 3611 672
電話:0536-6058547
Q Q:550128607
郵箱:Lpx20092009@163.com
中文網址:www.曝氣機.中國
網址:m.czlbjj.cn
地址:山東省諸城市密州街道東黃疃工業園
產品簡介:
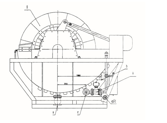
陶瓷過濾機是一種脫水設備,主要由陶瓷過濾板、輥筒系統、攪拌系統、給排礦系統、真空系統、濾液排放系統、刮料系統、反沖洗系統、聯合清洗(超聲波清洗、自動配酸清洗)系統、全自動控制系統、槽體、機架幾部分組成。
陶瓷過濾機主要構造:
陶瓷過濾機主要由輥筒系統、攪拌系統、給排礦系統、真空系統、濾液排放系統、刮料系統、反沖洗系統、聯合清洗(超聲波清洗、自動配酸清洗)系統、全自動控制系統、槽體、機架幾部分組成。
槽體采用耐腐蝕的不銹鋼,起裝載礦漿的作用,攪拌系統在槽體內攪拌混合物料,避免物料的快速沉降;陶瓷過濾板安裝在輥筒上,輥筒在可無級變速的減速機的帶動下旋轉。陶瓷過濾機所選用的過濾介質為陶瓷過濾板,不用濾布,降低生產成本,卸料時刮刀和濾板之間留有1mm左右的間隙,以防止機械磨損,延長了使用壽命。
陶瓷過濾機采用反沖洗、聯合清洗等方法結合清洗,該系統采用PLC全自動控制,并配有變頻器、液位儀、計量泵等裝置。開機時,礦漿閥門由料位儀監控,控制礦漿液位的高低,真空罐濾液由液位儀檢測,當至高位時,PLC控制系統迅速打開濾液泵出口閥門,快速排水。陶瓷過濾機可根據用戶的不同要求,采用遠程控制或集中控制。


陶瓷過濾機工作原理:
陶瓷過濾機工作基于毛細微孔的作用原理,采用微孔陶瓷作為過濾介質,利用微孔陶瓷大量狹小具有毛細作用原理設計的固液分離設備,在負壓工作狀態下的盤式過濾機,利用微孔陶瓷過濾板其特有通水不透氣的特性,抽取陶瓷過濾板內腔真空產生與外部的壓差,使料槽內懸浮的物料在負壓的作用下吸附在陶瓷過濾板上,固體物料因不能通過微孔陶瓷過濾板被截留在陶瓷板表面,而液體因真空壓差的作用及陶瓷過濾板的親水性則順利通過進入氣液分配裝置(真空桶)外排或循環利用從而達到固液分離的目的。
陶瓷過濾機外形及機理與盤式真空過濾機的工作原理相類似,即在壓強差的作用下,懸浮液通過過濾介質時,顆粒被截留在介質表面形成濾餅,而液體則通過過濾介質流出,達到了固液分離的目的。其不同之處在于過濾介質—陶瓷過濾板具有產生毛細效應的微孔,使微孔中的毛細作用力大于真空所施加的力,使微孔始終保持充滿液體狀態,無論在什么情況下,陶瓷過濾板不允許空氣透過,由于沒有空氣透過,固液分離時能耗低、真空度高。

陶瓷過濾機的性能優勢:
一種用于細煤泥回收的陶瓷過濾機,有一個機座,所述機座下部設有一個細煤泥液料槽,該細煤泥液料槽內設有液位控制器,該細煤泥液料槽兩端設有負壓集水箱,該負壓集水箱一側裝有負壓連接組件定盤,另一側裝有真空泵管道,該真空泵管道與一個真空泵連通;所述機座上設有一個煤泥回收轉子,該轉子由一個主軸、多級陶瓷過濾圓盤、卸料板、多節出水連接管道、管道支架板、負壓連接組件動盤組成;所述煤泥回收轉子位于所述細煤泥液料槽內;所述陶瓷過濾圓盤由多個陶瓷空腔微孔板構成,位于同一軸線上的多個陶瓷空腔微孔板通過所述出水連接管道連通。
陶瓷真空過濾機的特點:
1、高真空度(真空度0.09~0.098MPa),濾餅料含水分低。
2、固液分離量<50ppm。可反復利用,減少排放。
3、與傳統過濾設備相比能耗節省約95%以上,能耗低,運行成本降低。
4、與傳統陶瓷過濾機相比增加了濾料洗滌,適用需洗滌的物料。
5、采用PLC、微機結合自動閥門控制,自動化程度高,降低人工的勞動強度。
6、結構緊湊,占地面積小,安裝維護方便。
7、采用的排液系統,可適合工況條件下工作
陶瓷過濾機的故障排除:
1、真空度低,不能滿足生產要求。主要原因是真空管路泄漏、真空泵循環水不夠、真空泵葉輪磨損、分配頭磨損、陶瓷過濾板破損、濾液桶排水閥未關緊、礦漿槽料位較低等;
2、反沖洗水壓力低或者波動。主要原因是反沖洗水管路系統堵塞或泄露、分配頭磨損;
3、濾液桶液位居高不下。主要原因是循環水泵葉輪或泵殼磨損、氣壓不足以致排水閥無法打開或排水閥本身故障、濾液桶與循環水泵之間的管路有泄漏;
4、超聲波清洗時陶瓷過濾板清洗不干凈。主要原因是電源箱有故障、電源保險燒壞、線路老化、換能頭燒壞、超聲盒擊穿、礦漿槽水位過低;
5、計量泵工作不正常及反沖洗水倒回酸桶。主要原因計量泵開關未打開、隔膜磨損、頻率過低、酸管和反沖洗水管連接的單向閥磨損。